欢迎您来到爱体育平台(中国)官方网站官方网站
加入我们
全国服务热线:
0757-27333768
爱体育平台(中国)官方网站
关于必达
产品中心
新闻中心
工程案例
诚聘精英
ENG
ENG
关于必达
走进必达
企业发展
企业荣誉
高新技术产品证书
获奖证书
质量认证体系
专利证书
绿色认证证书
企业文化
产品中心
移开式开关柜系列
固定柜系列
环网柜系列
高压元件类
低压成套设备
箱式变电站
动力配电箱
预制仓
新闻中心
公司新闻
行业新闻
工程案例
电网案例
工程投运案例
诚聘精英
诚聘精英
联系我们
产品中心
返回
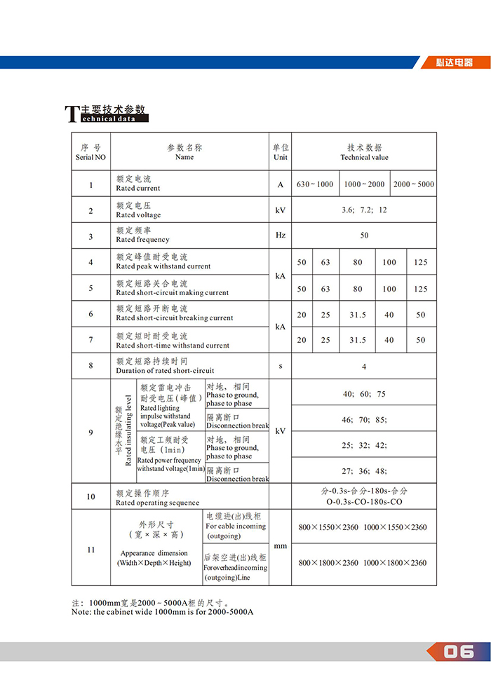
KYN44A-12(Z)移开式开关柜
产品参数
服务热线
0757-27333768
产品介绍
更多介绍
TIANXING.COM_天行(中国)
|
乐动在线官网
|
九州体育·中国有限责任公司
|
mk体育(MKsports集团)股份公司
|
安博·体育
|
买球线上平台(专区)门户网站
|
米兰网页版
|
乐竞平台
|
世界杯竞猜(中国)官方网站
|