Welcome to the official website of Guangdong Bida Electric Appliance Co., Ltd
Join Us
National Service Hotline:
0757-27333768
HOME
ABOUT
PRODUCT
NEWS
CASE
JOIN US
CN
CN
ABOUT
ENTERING BIDA
ENTERPRISE DEVELOPMENT
ENTERPRISE HONOR
CORPORATE CULTURE
PRODUCT
REMOVABLE SWITCHGEAR SERIES
FIXED CABINET SERIES
RING MAIN UNIT SERIES
HIGH VOLTAGE COMPONENTS
LOW VOLTAGE COMPLETE EQUIPMENT
BOX TYPE SUBSTATION
POWER DISTRIBUTION BOX
PREFABRICATED WAREHOUSE
NEWS
COMPANY NEWS
INDUSTRY NEWS
CASE
POWER GRID CASE
ENGINEERING OPERATION CASE
JOIN US
JOIN US
CONTACT
PRODUCT
BACK
KYN44A-12 (Z) movable switchgear
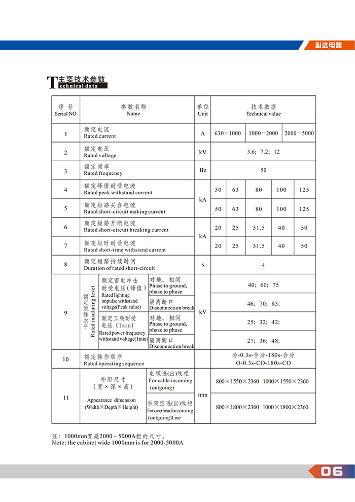
Product parameters
Service Hotline
0757-27333768
Product Introduction
More introduction
TIANXING.COM_天行(中国)
|
乐动在线官网
|
九州体育·中国有限责任公司
|
mk体育(MKsports集团)股份公司
|
安博·体育
|
买球线上平台(专区)门户网站
|
米兰网页版
|
乐竞平台
|
世界杯竞猜(中国)官方网站
|